有关单相电表与电流互感器的接线方法,在单相电表的常见接线方式中,经电流互感器的接入方式,应该怎么来接线,电工天下小编带大家来了解下。
单相电表与电流互感器的接线图
单相电表接互感器时,需要将1号接线螺丝的连片拆开,将1号接S1,2号接S2,1,2是电表的电流线圈,1,2间的接线点接穿过互感器的火线,3号接线点接零线。
单相电表专门配电流互感器的1234中的1接互感器器的S1,2接互感器的S2。
一般普通电表,拆开接线端子盖,1号接线点和另外一个接线点有连片,即为电表内部电流线圈和电压线圈的公共点。单相电表接线:1,3接进线的火线与零线,2,4接出线的火线与零线。
说明:正常使用这个公共点接火线,带电流互感器的需要将公共点断开。
两相电表的接线图
如下示意图:

单相电表正对自己,四个接口:1、3是火、零进线,2、4是火、零出线,出线经过漏保空开后,再连接用电器。
三相四线有功电表的接线顺序:
1、3、5是三相火的输入端即A相、B相、C相;
2、4、6是三相火的输出端;7是零线公用端。
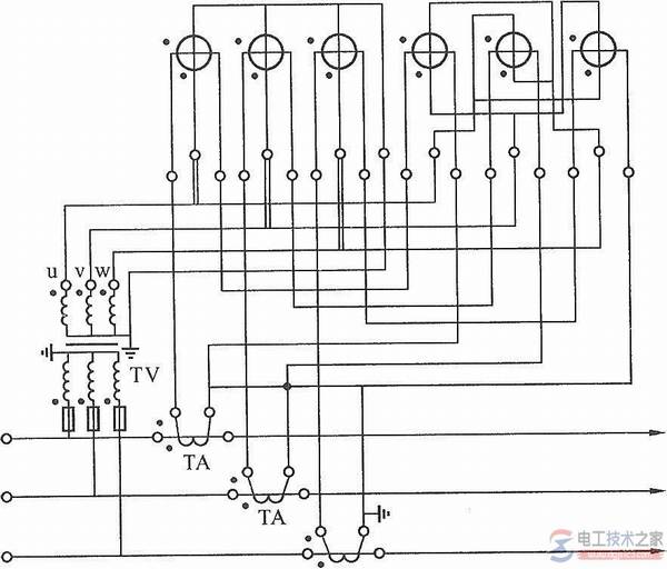
电能表经互感器的正确接线图

教大家画出三相四线有功、无功电能表和电压、电流互感器的正确接线图,若电压互感器为Y,Y型接线时怎么保证正确接线,一起来了解下。
电流表与电流互感器的连接方法

电流表与电流互感器的连接问题,电流表是否可以与电流互感器直接相连,单相的另一根接直接接负载,三相的另两根接负载,包括穿心式接线与非穿心式接线。
三相电表经互感器的接线方式大全

在三相电表的多种接线方式中,有一种就是经互感器的接线方式,三相四线电表常用这种接线方式,究竟三相电表怎么经互感器接线,具体的接线方式是怎么样的,一起来了解下。
以上就是单相电表与电流互感器的接线图,希望对大家有所帮助。