微安表的接线方法
1、在对微安表进行接线,具体的接线方式,参考下图。

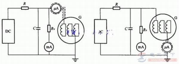
图1:微安表的接线方式
这二种接线方式的最大区别在于微安表的接线位置:一种在高压侧,测量比较准确,但读数不方便,操作人员在试验中调整微安表量程时,必须采取安全保护措施;另一种在低压侧,读数方便。
DC一高压整流装置;R一保护电阻;C一滤波电容器;RV一高值电阻器;mA一申联毫安表;μA一微安表。
2、确定试验电压值。根据《预规》要求选择。
3、试验前,应检查被试发电机是否停电,接地放电,检查一切对外连线是否断开。
4、应在停机后清除污秽前热状态下进行。对备用的机组可在冷态下进行,氢冷的严禁在置换过程中进行,排氢后含氢量应小于3%。
5、在接线后,应由第二人复查无误。
6、升压时应缓慢,按《预规》要求,每级0.5UN分阶段升高,每阶段停留1min。
7、在升压过程中,应监视发电机、直流高压发生器及微安表,一旦有异常现象应立即降压,断开电源,并查明原因。
8、降压、断电及放电。试验完成后,应迅速降压到零切断电源,进行充分放电(需5min以上),放电时,应通过适当的放电电阻(专用的放电棒)进行。
9、整理记录并绘制电流电压关系曲线。
10、对水内冷发电机采用低压屏蔽接线,如图2所示。

图:低压屏蔽法接线图
N一稳压器;AV一调压器;PV1一交流电压表;T一高压试验变压器;R一限流保护电阻;
V一硅整流二极管;PV2一高压静电电压表;PA1一毫安表;PA2一微安表;
Sl、S2一单向开关;C1一低压滤波电容器;R1一被试分支与绝缘引水管并联电阻(通水);
R2一汇水管对地绝缘电阻(通水);L1一扼流圈
11、采用低压屏蔽法试验水内冷发电机定子绕组时,应注意以下几点。
1)水质要求,在通水状态下试验时,水质应维持电导率≤2~5μS/cm,pH=7~8。
2)为了防止微安表因受引水管水电阻小的影响而摆动可采用并联电容器(1~2μF)(电容器外壳要对地绝缘)或降低水电导率到5μS/cm以下(如2μS/cm)。
3)测得的泄漏电流应按式(1-4)校正(考虑引水管对地绝缘电阻并联影响)
Ix=IA(1+RA/Rdx)-I0 (1- 4)
式中 IA一一微安表实测电流,μA;
RA一一微安表内阻,Ω;
Rdx一一微安表并联水电阻,Ω;
I0一一空载泄漏电流(即试验器电流),μA。
4)通水加压前,调整电位器,即调节微安表内阻,使微安表指示零,以补偿引水管的极化电势使微安表偏转。