有关电流互感器接安培表的两种接线方法,两种电流互感器接安培表的区别。
电流互感器接安培表的两种接线方法
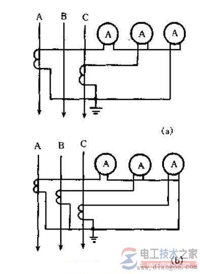
二种电流互感器接安培表的方法:

第一种接线:
左侧电流表测得是A相电流,中间电流表测得是C相电流,右侧电流表测得是A相与B相的电流的向量和电流值。
在负载对称的三相电,其三相电的和电流(即零线电流)=0,故A相与C相矢量和电流在数值上与B相电流相等,相位相反(IA+IC=-IB)。
由于电流表只显示电流值,故可以用A相与C相的矢量和电流值来代表B相电流值。
优点:可节省一个电流互感器。
缺点:当三相负载不平衡时,其三相电的和电流(零线电流 IN)≠0,此时用A相与C相的矢量和电流值来代表B相电流值就不准确了,因为此时它包含零线电流与B相电流的矢量差(IA+IC=IN-IB)。
第二种接线:
左侧电流表测得是A相电流,中间电流表测得是B相电流,右侧电流表测得是C相电流,即每一相都有自己的电流互感器与电流表进行测量,即三块电流表测的电流是三相电的真实电流值,故三相负载是否平衡都不会影响各电流表的测量准确性。