有关电流互感器的11种应用电路,有关电流互感器应用电路的图例解析,包括差接法、二极管电压钳位、利用电流互感器倒用升流、负序电流过滤器的电机断相保护电路、三次谐波电流等。
11种电流互感器的应用电路

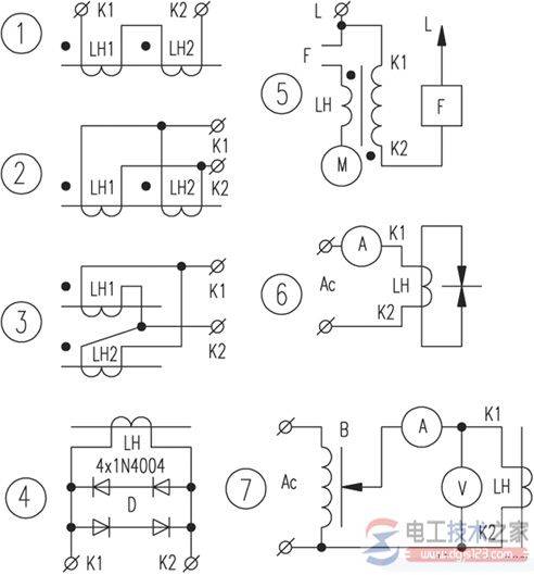
图3:为差接法,用二只互感器反相连接能反应对称过荷和三相短路的常用电路,若用在电机保护电路中使用,效果较差,但使用元器件最少。为提高灵敏度,后面可接信号放大电路,推动电子线路工作。
图4:为避免在电子线路应用中出现高电压的保护,最简单方法就是用二极管将电压钳位,钳位电压由串联的二极管数量决定。如使用稳压管和压敏电阻,效果将更好。
图5:该电路可在电机启动时,因电源电压降低,消除接触器线圈F吸合不牢的现象(互感器的次级电压将和控制电路的电源电压叠加,注意接线是有极性的)。
图6:利用电流互感器倒用升流,作为低阻抗电器元件,可用于电流继电器、热继电器等的试验。(电工天下 www.dgjs123.com)制作时穿入导线截面积一定要大,长度尽可能短,若增加匝数,电流也会增大。最好选用大变比、大容量互感器,对150VA的互感器,当总阻为6Ω时,电压可达30伏。注意:在次级升压过程中,电流表读数不能超过5安。

图7:测定电流互感器的伏安特性电路。按图示逐渐升压,当电流增加,电压表读数不再变化时,就是磁饱和的状态。只需测量伏安对应的数据,即可画出伏安特性曲线。
图8:是一种用互感器从线路上取出反映电流变化的控制信号,若增加一次绕组的匝数,可使信号增强。
图9:是一种负序电流过滤器的电机断相保护电路。当一相断线时,负序电流上升,若互感器次级接有移相元件组合的电流滤波器,就可把负序电流输出。互感器应使用具有矩形磁特性的磁环制作,次级线圈一般应在几百匝左右。
图10:是一种三次谐波电流,电机断相保护电路。因为三次谐波是同相位的,故也称作零序电流保护电路。电流互感器不是线性的,而是快速饱和的,所以铁心要使用铁氧磁环制作。
图11:利用电流互感器作为单线遥测的互感器。变压器B可用输出变压器反接代替,控制室的电压表刻度应改成标定的电流刻度。电压继电器可作报警信号或跳闸开关。一般遥控距离可达数百米。