二极管单相桥式整流电路的画法与波形图
二极管单相桥式整流电路,是较为常见的一种全波整流电路,它由四个二极管结成电桥的形式,所以称为桥式整流电路。
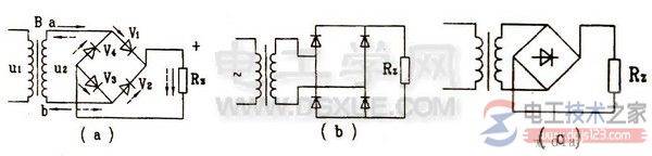
如下图,给出了单相桥式整流电路的三种画法。

单相桥式整流电路
1、桥式整流电路原理
上图(a)所示,当变压器B次级电压u2为正半周时,即a端电压为正,b端电压为负,二极管V1、V3承受正向电压而导通,二极管V2、V4承受反向电压截止,电流通道为:a→V1→R2→V3→b完成回路,于是负载Rz上得到一组半波电压。当U2电压为负半周时,变压器次级的a端电位为负,b端电位为正,二极管V2、V4承受正向电压而导通,而V1、V3承受反向电压截止,电流通道为b→V2→Rz→V4→a完成回路,负载上又得到一个与上半周相同方向的半波电压。这样,在一个周期内,负载Rz上得到了两个半波。如下右图所示为单相桥式整流的电压电流波形图。

单相桥式整流电路波形图
负载电压Uz的平均值为:Uz=0.9U2
2、桥式整流与全波整流的区别
桥式整流电路与前面的全波整流电路比较,在同样负载或同样输出电压、电流时,桥式电路的变压器不用中心抽头,利用率高,且副边电压可低一半;整流管中流过的电流相同,但每只二极管所承受的反向电压却低了一倍。只是桥式整流电路中要相对多使用两只二极管。