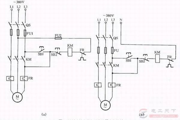
当交流接触器的辅助触点损坏无法修复而急需使用时,可以采用图1中的接线方法,以满足应急使用要求。
如下图:

图1:缺辅助触点的交流接触器应急接线
按下SB1,交流接触器KM吸合。放松按钮SB1后,KM的触点兼作自锁触点,使接触器自锁,因此KM仍保持吸合。
SB2为停止按钮,在停止时,按动SB2的时间要长一点。以免手松开按钮后,接触器又吸合,使电动机继续运行。原因在于电源电压虽被切断,但因惯性的作用,电动机转子仍然转动,其定子绕组产生感应电动势,一旦停止按钮很快复位,感应电动势直接加在接触器线圈上,使其再次吸合,电动机继续运转。
接触器线圈电压为380V时,可按图1(a)所示接线;接触器线圈电压为220V时,可按图1(b)接线。图1(a)的接线缺陷,即在电动机停转时,其引出线及电动机带电,不利于维修安全。
因此,这种线路只能在应急时采用,在维修电动机时,需要断开控制电动机的总电源开关QS,切记。