一、电磁炉损坏的原因
1、用户使用了不符合要求的锅而导致保护失效,烧坏功率管;
2、风扇缺油、供电不足导致不转或转速变慢,风力不足散热不良而损坏电磁炉;
3、使用时间较长的电磁炉由于元器件老化接触不良而导致电磁炉损坏;
4、长期工作在临界过电压或欠电压情况下,造成IGBT损坏;
5、用户操作不当,液体渗入电磁炉内发生短路而损坏;
6、维修人员维修时不按正确的维修方法而导致故障面扩大。
二、电磁炉损坏时的一般维修程序
1、电磁炉的电流熔丝是否烧断
电磁炉电流检测电路截图:

2、 检测IGBT是否被击穿
(1)检测方法见下图,用指针式万用表二极管挡测量IGBT的E、C、G极之间是否击穿;
(2)再测量E极与G极、C极与G极正反向是否导通(正常情况下应不导通);
(3)最后,用万用表红笔接E极,黑笔接C极,测是否有零点几伏的电压,但有些型号的管子三极均没有压降,如GT40T101 IGBT。不含阻尼二极管时,其C、E极间的阻值一般为50~110kΩ;含阻尼二极管时,其C、E极间的阻值一 般为3.2~4.5kΩ。

3、检查互感器是否损坏
互感器检测方法见下图, 一般互感器的二次绕组电阻值约80Ω, 一次绕组电阻值接近0Ω。

4、 检査电源整流桥是否损坏
(1)用指针式万用表红笔接黑笔接"+”,一般会测得0. 8V左右的电压,调换表管测量指针不动;
(2)再用指针式万用表红笔接黑笔分别接两个输入端进行测量,一般会有0.5V左右的压降,调换表笔测量则无反应;用指针式万用表黑笔接"+”,红笔分别接两个输入端测量,一般会有0.5V左右的电压降,调换表笔则无反应。

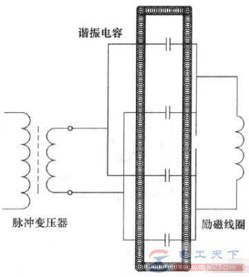
5、检查谐振电容是否受热损坏
谐振电容一般体积较大,靠近锅底励磁线圈的接线部分,容易受热引起变形、烧熔现象。特别是电容变值现象较难测量准确,而一旦变值则会出现烧IGBT现象,应重点检测,并釆用正品谐振电容进行代换的方法,以判断原电 容是否异常。

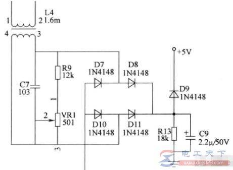
6、检测主控微电脑芯片是否损坏
检测该类故障时,应结合芯片资料进行测量。例如芯片TA8316S (相关电路见下图),可测量其第①脚和第②脚、第①脚和第④脚、第⑦脚 和第②脚、第⑦脚和第④脚之间不能存在短路现象。

7、检查IGBT是否损坏
同时检査其热敏开关绝缘保护层是否损坏。
8、检查按钮动作是否灵敏,若不灵敏, 则检查CPU接口线是否异常。
方法是将指针 式万用表置二极管挡,用其红表笔接地,黑表笔接CPU的接口线,此时可测得0.7V左右的压降,若没有则说明CPU接口线已被击穿。
9、检査锅底励磁线圈盘是否短路
可通过测量线圈盘的电感进行判断。
10、检查锅具与励磁线圈盘之间的距离是否在正常范围内。
11、检查加热锅具是否是电磁炉专用锅具的。
铜、铝、陶、玻璃材料的锅和容器 都为电磁炉不适用的,因为其分子都不是磁性分子,不能在磁场的作用下产生碰撞。磁性分子包括铁、钻、镣及其所属氧化物。
12、检査其他元器件是否有松动现象。