分享几个能耗制动电气原理图,分为单管整流能耗制动、单相桥式整流能耗制动、直流能耗制动、三相半波整流能耗制动等,一起来了解下。
能耗制动电气原理图
由电动机带动的设备要加快停车,一般都用机械摩擦法制动,在制动过程中操作不当,会产生爆振现象。
以下是几种简单实用的电动机能耗制动的电路。
能耗制动原理:在定子绕组断电后,立即使其两相定子绕组接上一个直流电源于是在定子绕组中产生一个静止磁场;来自:电工技术之家
转子在这个磁场中旋转产生感应电动势,转子电流与固定磁场所产生的转矩阻碍转子继续转动,因而产生制动作用,使电动机迅速停转.
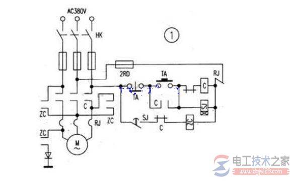
一、单管整流能耗制动
见图1,当停车时,按下停止按钮TA,C、SJ失电释放,这时SJ延时断开的触点仍然闭合,使制动接触器ZC获电动作,电源经制动接触器接到电动机的两相绕组,另一相经整流管回到零线。
在达到整定时间后,SJ常开触点断开,ZC失电释放,制动过程结束。这个电路简单,成本低,常用于10kW以下电动机且对制动要求不高的场合。

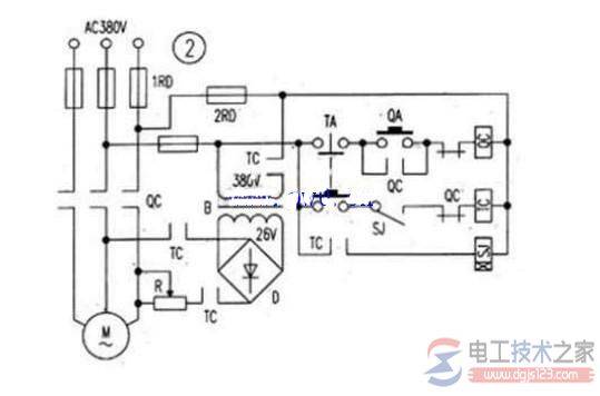
二、单相桥式整流能耗制动
见图2,当电动机停转时,按下停止按钮TA,QC失电释放,同时TA常开触点闭合,使TC、SJ获电动作,将变压器降压整流后的直流电接入电动机定子绕组,开始制动。达到整定时间后,SJ延时断开的常闭触点断开,TC失电释放,制动过程结束,TC同时断开变压器B的电源。

三、直流能耗制动
见图3,本电路简单可靠,适用于5kW以下的电动机。
工作过程:按下启动按钮QA,接触器IC线圈得电,电动机转动,同时电容器C被充电,停车时按下TA按钮,接触器IC失电断开电动机,电容C对线圈阻值为3kΩ的高灵敏继电器J放电,使J吸合,2C接触器线圈得电吸合,从而进行直流能耗制动,经一定时间后,电容C放电完毕,继电器J释放,此时制动结束。选择电容C容量的大小,可改变制动时间的长短。
四、三相半波整流能耗制动

见图4。当接触器IC断电后,电动机失电,2C、SJ时间继电器由于TA的联动,得电动作,2C主触点短接电动机三相绕组,并通入半波整流电源,使电动机定子绕组接成一端接零线的并联对称线路,达到制动目的。
此时,SJ延时断开,2C失电释放,制动过程结束。这种制动线路,适用于星形接法的电动机,具有成本低,体积小线路简单,而且能适用于容量较大的电动机。

能耗制动直流电源的估算方法:首先测量电动机三根进线中任意两根之间的电阻R,和电动机的进线电流IM(电动机仅带有传动装置的电流,该电流值接近空载电流),然后根据测得的数据分别代人以下公式,便可求出直流电源的电流与电压。
I2=K·IM,U2=I2·R,式中I2表示能耗制动所需直流电流,U2为能耗制动所需直流电压,R为电动任意两根线之间的电阻,K为系数,取3.5~4即可。