●
首页
>
玩转家电
>
电器维修
>
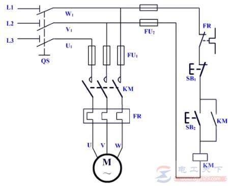
一例电动机自锁控制的电气原理图
电动机自锁控制电气原理图
如下:
上一篇:
一例电动机实现点动控制的线路图
下一篇:
二例电动机自锁控制的电路图:完整自锁控制及点动与自锁的混合控
热点内容
·
漏电保护器主要动作性能参数有哪些?
·
直流屏端电池的组成部分
·
电烙铁焊接温度标准_电烙铁焊接原理分析
·
什么是额定电功率,什么是最大功率
·
节能灯电子镇流器故障维修方法
·
日光灯镇流器的作用_日光灯镇流器原理
·
直流绝缘监视装置接线方法图解
·
万和与美的等电磁炉的故障代码汇总
·
热风焊台使用前须知
·
泽藤SHW190发电电焊机机油的更换步骤