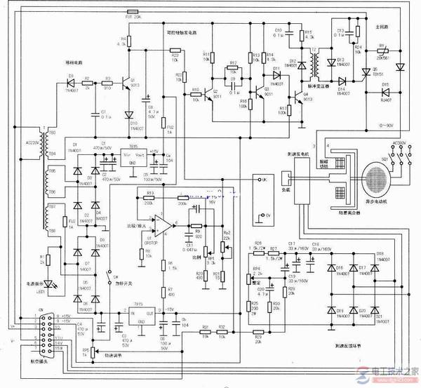
滑差电机调速器电路原理图

1、电源电路
220V交流电经变压器T降压后,分三路输出:TB3、TB4输出14V交流电,作为电网同步采样电压;TB5、TB6输出18V交流电,经整流滤波后输出24V直流电,再经LA7815稳压后输出+15V电压,作为控制电路的正电源;TB7、TB8输出18V交流电,经整流滤波后输出24V直流电,经LA7915稳压后输出-15V电压,作为控制电路的负电源。R1、LED组成电源指示灯电路。
2、转速控制电路
调速电路的核心元件为电位器RP5,由电源电路输出的+15V和-15V电压经航空插座送到调速电位器RP5两端,通过其中心抽头调节后输出代表速度的电压信号。
3、测速反馈电路
三相交流测速发电机JF与输出线同轴相连,将反映输出速度的三相交流电压信号经航空插座213~215送到由D16~D21组成的三相桥式整流电路中,再经电容C17、C18滤波后输出直流信号,通过RP4(整定)对负反馈量调节后,经R20与转速调节电路信号叠加整定后送人比较放大电路。
4、比较放大电路
比较放大电路的核心元件为单运放集成电路OP07CP,其引脚功能与实测数据见下表。该放大器接为反相比例运算形式,转速控制电压Ug(给定电压)和反馈信号Uf送到OP07CP的②脚,进行比较(相减)后从⑥脚输出,一路输送往面板插孔(UK),另一路输送往移相电路。
R18、R19组成反馈回路。RP1、R20组成比例调节电路,调节RP1可调节可控硅的导通角,调节RP2可对比例信号进行预调。
5.锯齿波同步移相及触发电路
本电路采用锯齿波同步移相触发电路,由同步检测、锯齿波形成、移相控制、脉冲驱动等四部分组成。电工天下
D9、R2、R3、C7、D10、Q1构成同步检测电路,其任务是利用同步电压Ut控制锯齿波产生的间隔及宽度。
在交流电负半周期间,二极管D9为电容C7充电,极性为上正下负,在这期间,Q1导通,集电极电位下降,使Q2截止。在交流电的正半周,二极管D9反偏截止,电容C7上充的电压使Q1导通,一旦C7上电荷放完,Q1截止,故Q1为间歇导通,在Q1集电极形成了锯齿波电压,并与运放输出控制电压UK混合,加到Q2基极,经Q2倒相后通过R12加到Q3基极。
Q3为触发脉冲形成管,Q4为脉冲驱动管。正常工作时,脉冲变压器T2的次级输出触发脉冲,通过二极管D14触发可控硅导通,提供励磁电压。本电路各关键点的波形如下图所示。
移相电路实质上是一级比较放大器,运放输出电压与锯齿波的下降沿电压相比较,决定着Q2在电网电压正半波期间的导通时间。当运放输出电压(转速控制信号电压)升高时,使Q2的导通点左移,接近电网正半波的起始点,可控硅输出整流电压升高;反之,运放输出电压降低时,Q2的导通点右移,可控硅输出电压“缺口”增大,在正半波内可控硅导通时间变短。
6、主电路
AC220V电源经单向可控硅Q5(TB151)进行受控半波整流后,将(JV~90V的直流电压输入滑差离合器中的励磁线圈中。RY为压敏电阻,用于吸收电网浪涌电压,当电网中有异常尖峰电压时,RY及时击穿,使FU熔断,从而保护后续电路。可控硅Q5的阳极、阴极之间并接有R24、C13阻容吸收使元件,以抑制电源开/关等变化所形成的脉冲电压,以保护可控硅。
因励磁绕组为感性负载,可控硅输出的是带“缺口”的脉冲直流电压和不连续的脉冲电流,流过励磁线圈的也为断续电流,形成“脉动磁场”。为了使励磁线圈中的电流“持续不断”,从而产生较为稳定的磁场,所以在励磁线圈上并联了一只二极管D15,极性与励磁电压相反。该二极管称为续流二极管。