有关三相电机的控制电路图,介绍 了二种控制电路,一是三相电动机控制电路实现顺序控制电路图,二是三相电机主电路实现顺序控制电路图,具体功能介绍,详见下文。
一、三相电动机控制电路实现顺序控制
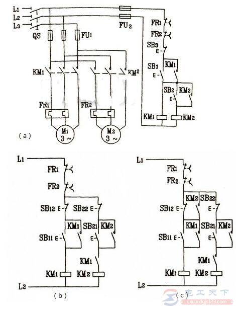
下图(a)为三相电动机控制电路实现顺序控制电路的线路图,该控制线路的特点为:
电动机M2的控制电路先与接触器KM1的线圈并接,再与KM1的自锁触头串接,保证了电动机M1启动后,M2才能启动的顺序控制要求。

该控制线路的工作原理:
1、先合上电源开关SQ:按下按钮开关SB1→接触器KM1线圈通电→KM1自锁触头闭合自锁、KM1主触头闭合→电动机M1启动连续运转→再按下SB2→接触器KM2线圈通电→KM2自锁触头闭合自锁、KM2主触头闭合→电动机M2启动连续运转。
2、M1、M2电动机同时转动:按下SB3→控制电路断电→接触器KM1、KM2主触头分断→电动机M1、M2同时停止转动。
上图(b)所示控制线路的特点:电动机M2的控制电路中串接了接触器KM1的动合辅助触头。只要M1不启动,即使按下了SB21,由于KM1的动合辅助触头未闭合,KM2线圈也不能通电,保证了M1启动后,M2才能启动的控制要求。线路中停止按钮SB12控制两台电动机同时停止,SB22控制M2的独立停止。
上图(c)所示控制线路,是在图(b)线路中,在SB12的两端并联了接触器KM2的动合辅助触头,从而实现M1启动后,M2才能启动,而M2停止后,M1才能停止的控制要求,及M1、M2是顺序启动,逆序停止。
二、三相电机主电路实现顺序控制
在装有多台电动机的生产机械上,各电动机所起的作用不同,有时需按一定的顺序启动,才可以保证操作过程的合理性和工作的安全可靠。
例如:M7120型平面磨床要求一台电动机启动后,另一台电动机才能启动的控制方式,叫做电动机的顺序控制。
以下是常用的顺序控制线路中的主电路实现顺序控制,下图为主电路实现电动机顺序控制的线路。其特点是电动机M2的主电路接在接触器KMI主触头下,保证了当接触器KM1主触头闭合,电动机Ml启动运转后,M2才可能接通电源运转。

三相电机主电路实现顺序控制电路工作原理:
1、先合上电源开关SQ。
2、按下SB1→接触器KM1线圈通电→KM1自锁触头闭合自锁、KM1主触头闭合→电动机M1启动连续运转、按下SB2→KM2线圈通电→KM2自锁触头闭合、KM2主触头闭合→电动机M2启动连续运转。
3、M1、M2停止:按下SB3→控制电路失去电能→接触器KM1、KM2主触头分断→KM1、KM2失去电能停止转动。