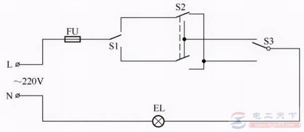
用三个开关控制一盏灯,具体的电路图如下:

一个简单实用的接线电路图,使用三个控制开关在不同地点控制一盏灯的开与灭,供大家学习参考。
一灯三控开关接线图

有关一灯三控开关接线图,单刀双掷开关实现一灯三控实物接线图,三个位置控制一个灯,需要两只双控开关加一只中途开关,四个位置控制一个灯,需要两只双控开关加两只中途开关。
电灯三开三控的线路图

分享电灯三开三控的线路图,三控开关控制三个灯的路线图,三控开关分别控制三个灯,以及双联开关电路图,开控开关的接线方式,双控开关三控一灯的电路接线图。
单开三控开关接线图及接线方式

单开三控开关的接线图,只要把一火接到进线端子即COM上再连通起来,三根控制线全接到三个L1或三个L2上即可,这就是单开三控开关的接线方法。