有关单电源三绕组变压器的保护原理接线图,两端或三端电源的变压器的原理接线图,对单侧电源三绕组变压器,应装设两套过电流保护,不了解的朋友参考下。
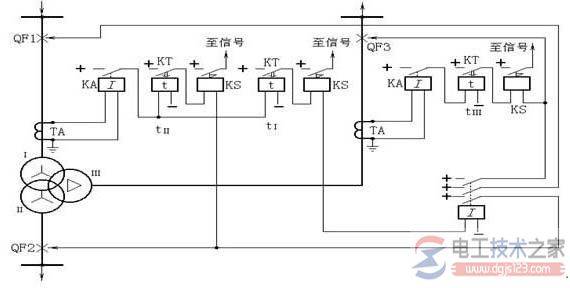
变压器的原理接线图
三绕组变压器外部故障时,其过电流保护应有选择性地断开故障侧断路器。而使其余两侧继续正常运行,为此,应按如下原则来实现过流保护。
1、对单侧电源三绕组变压器(如图),应装设两套过电流保护。一套装于负荷侧,如绕组Ⅰ、Ⅱ、Ⅲ,其动作时限tⅢ最小,保护动作仅跳开QF3。
另一套装在电源侧,如绕组Ⅰ,它设两级时限tⅠ和tⅡ,tⅡ= tⅢ+Δt,用以切除QF2;而tⅠ= tⅡ+Δt,用以切除高、中、低三侧断路器。
2、对两端或三端电源的变压器,三侧均应设过电流保护,并根据计算值在动作时限小的电源侧加装方向元件,以保证动作的选择性。

图1 单电源三绕组过电流保护原理接线图