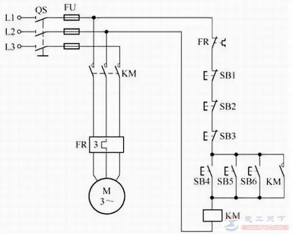
多地启停控制电路
下图中,SB1->SB4为一对启停在A地控制,SB2->SB5为一对启停在B地控制,SB3->SB6为一对在C地控制。

电路工作原理:
1、A地启停
按下按钮SB4电动机启动->松开后自锁->按下SB1停止电动机运行。

2、B地启停
按下按钮SB5电动机启动->松开后自锁->按下SB2停止电动机运行。

3、C地启停
按下按钮SB6电动机启动->松开后自锁->按下SB3停止电动机运行。

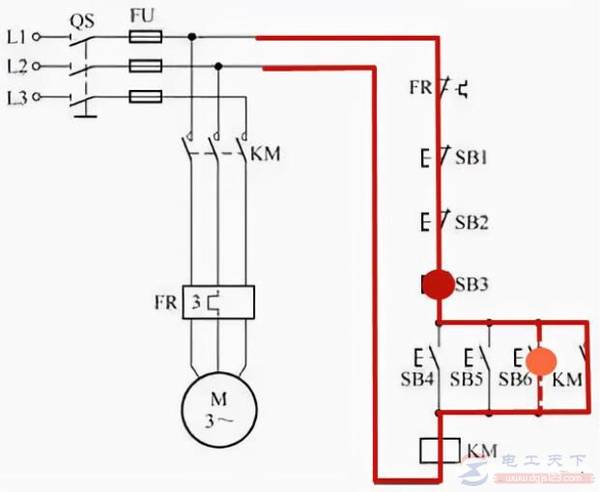
多地启停控制电路
下图中,SB1->SB4为一对启停在A地控制,SB2->SB5为一对启停在B地控制,SB3->SB6为一对在C地控制。

电路工作原理:
1、A地启停
按下按钮SB4电动机启动->松开后自锁->按下SB1停止电动机运行。

2、B地启停
按下按钮SB5电动机启动->松开后自锁->按下SB2停止电动机运行。

3、C地启停
按下按钮SB6电动机启动->松开后自锁->按下SB3停止电动机运行。
