有关ABB直流调速器的故障问题,一是跳闸,二是合不上闸,变流器过热会引起直流电机跳闸,室内灰尘太大引起排线接触不良合不上闸,以上这二类故障问题的原因及解决办法,供大家参考。
ABB直流调速器故障问题
1、变流器过热引起直流电机跳闸
这个故障很麻烦,尤其在生产过程中突然跳闸,引起生产停产,并且毫无征兆。
该类跳闸问题多见于3年以后的控制器,故障原因多见于夏天或者环境温度较高的室内,变流器一般设定67度跳闸,57度预警(A105)。
处理方法:降低环境温度到30度以下,尤其在炎热的夏天,最主要的是紧固可控硅的压靠螺丝。注意,可控硅3年以上的压片螺丝经热胀冷缩可能松动引起温度报警跳闸。

2、室内灰尘太大引起排线接触不良合不上闸
ABB最大的缺陷是冷却风机的设计缺陷,可控硅冷却,所有的风机都装在控制器下部,带入了极大的粉尘,必须1个月一次用压缩空气吹扫,否则就容易造成电路板插接部分接触不良,常见故障是合不上闸,风机等准备信号输不出。主要原因是排线接触太脏,而电路板完全没必要用风机冷却。
另外,还会有内部参数不能修改的问题,也会导致该类故障的发生。
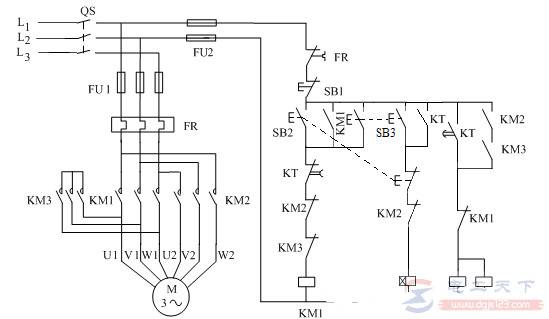
几个简单的直流调速电路图

直流电机的调速范围广,过载能力比较强,可以实现频繁的无级快速启动、制动和反转,可以满足生产过程中自动化系统各种不同的特殊运行要求,以下是几个简单的直流调速电路图,供大家参考。
晶闸管直流调速装置失灵

有关晶闸管直流调速装置失灵的故障问题,晶闸管直流调速装置失灵的故障现象,故障原因分析与排除方法。