UPS不间断电源维护经验
1、UBS不间断电源要安装在干燥、阴凉、通风卫生的环境,避免阳光直射,可以减少有害灰尘对UBS内部线路的腐蚀。
2、环境温度对UBS电池影响大,环境温度过高或过低会使电池充电不足,影响电池的使用寿命。环境温度在25℃摄氏度是非常理想的,这样的环境非常适合电脑主机和显示器。在UPS不间断电源安装位置留有足够的通风空间,保持清洁卫生。

3、不是所有的导线都能作为UPS不间断电源的输入和输出导线,最好保证所接火线、零线、保护接地线符合要求,不能随意改变其相互的顺序。
4、禁止频繁地关闭和开启UPS不间断电源。一般要求在关闭UPS电源后,至少等待6秒钟后,才可以开启UPS电源。
5、禁止超负载使用,一般需要将负载控制在30%~60%的额定功率范围之内,可以达到最佳工作方式。
6、维护风扇:定期检查用UPS不间断电源中用于散热的风扇运转情况,是否有风从背板吹出。对温度高的地方,更需要加强UPS不间断电源风扇的维护。清除机内的积尘,用数字万用表检查蓄电瓶组的电压,更换不合格的蓄电池。
7、使用环境:包括温度、湿度、灰尘还有市电。交流供电情况是否超压、超频,均会影响UPS电源的正常使用。正常情况下电池的使用寿命为3-5年,如果发现蓄电瓶电池状况不佳,应及时更换。更换电池必须由专业的人士来操作,联系专业人员到站更换。
在平时做好UPS不间断电源的维护和保养,可以有效延长UBS电源的使用寿命,并且能更好地保护后台系统。
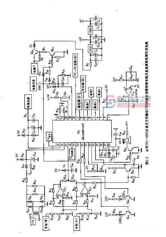
UPS电源电路图说明

分享一个UPS电源电路图说明,该电路提供恒定的调节5伏输出和不规范的12伏的电源,该电路可适应其他受监管和无管制使用不同的电压调节器和蓄电池。
UPS电源蓄电池放电问题

有关UPS电源蓄电池的放电问题,UPS电池放电时间计算方法,计算蓄电池的最大放电电流值的公式与方法,实际电池组的安时容量的计算公式等。