有关电机的接线方式,电动机正反转电路的接线方法,在整个正反转电路中需要用到的电气设备有断路器、接触器、热继电器等,一文看懂电机正反转电路的接线图,一起来学习下。
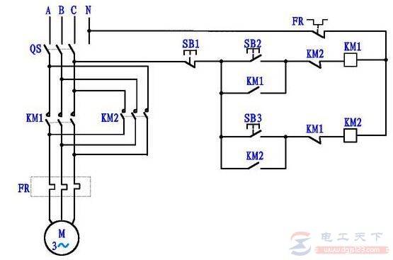
电机正反转电路图

上图中是三相电机正反转电路图。QS为断路器,KM1正转接触器,KM2反转接触器,FR热继电器,SB1停止按钮,SB2正转启动按钮,SB3反转启动按钮。

上图中若给带电部分标成红色,没合断路器QS之前,只有断路器上火带电。

合上QS,图中控制回路部分可以看出,SB2、KM1、SB3、KM2常开点都为断开状态,无论正转还是反转接触器线圈都不得电,所以电机停止状态。

按下正转启动按钮SB2,KM1线圈得电吸合。KM1主触点闭合,电机正转。

松开SB2,但由于KM1常开辅助触点闭合,KM1接触器自锁,所以,电机保持正转。

此时,若按下反转启动SB3,由于KM1常闭点断开,KM2仍不能得电吸合,这里的KM1常闭点即为互锁点。

按下停止按钮SB1,常闭点断开,接触器释放,电机停止。

按下反转启动按钮SB3,KM2吸合,电机反转。

若电机堵转或其它原因造成热继电器FR动作,FR常闭点断开,无论正转或反转接触器,都将释放,电机停止。