1、太阳能热水器上水自控电路图
太阳能热水器在使用时是人工上水,为了防止溢出,需要有人守候,是非常麻烦的。因此,需要设计一个自控电路,用电视机交流关机开关作核心元件,结构简单、便于制作,成本低廉、安全可靠。原理见图:

图1:太阳能热水器电路图
图中DF为全自动洗衣机进水电磁阀,线圈DL与K是彩色电视机的交流电源开关。变压器T与Dl、D2、C组成全波整流电路为控制电路提供电源。Q1、Q2组成复合管,既提高了功率,又增加了放大倍数。A、B两端接双芯线用作电极,双芯线由溢水管伸入水箱的溢水口附近。需要上水时,按一下自锁开关K,0F即通电上水.上水指示灯LED点亮,此时Q1、Q2均截止。当有水溢出时,A点经水接B点,Q1、Q2导通‘,K中的线圈DL通电,K解锁复位,整个电路自动断电,上水结束。这就避免了人工守候的麻烦。进水电磁阀与原上水阀并接,以便停电时手动上水。
上图为WTC-AI太阳能热水器电路图。该太阳能热水器的控制、显示电路采用三节5号电池供电。电路由水位检测及报警电路、水温检测电路组成。当水位检测一体化探头置于室外容器中,接通开关AK时若水箱中无水,所有的水位指示灯均不亮(即L1~L4发光二极管均熄灭)。当水位上升至A点时,③脚和公共点E(电池负极)通过水阻相连。③脚电位被拉低,则①脚翻转为低电位,L1(红灯)亮,指示水位已上升至整个水箱的5%;继续加水,当水位依次升至B、C、D点时,L2(绿灯)、L3(黄灯)、L4(橙灯)依次点亮。此时,由于IC⑧脚输出低电位L4亮的同时,经R7拉低S8550、b极电位,S8550导通,触发音乐IC2(S一088BD)驱动高响度蜂鸣器Y发声提示音。
当AK接通后,表M有电流流过,指示水温。RT为负温度系数热敏电阻,水温升高,其阻值变小,流过M指示大。L5为表头指示背景灯,接通电源即亮,w1、w2为表头调校电位器。

图2:WTC-AI太阳能热水器电路图
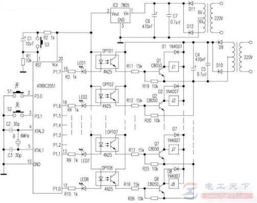
2、8路电热水器顺序延时开关控制电路
一个用太阳能热水器和辅助电热水器来恒定水温的8路恒温电热水器。该电热水器天晴时,靠太阳能热水器提供热能;天阴下雨时,靠电热水器维持水温,电热水器一共有8个,每个热水器的功率是9KW,为了减轻合闸时的负载,用8只空气开关分别控制8个电热水器。使用时,只要开8次空气开关,不用时又要关8次空气开关。空气开关少了,水温升的慢,关少了,浪费电。
因此,可以用89C2051制作一个8路电热水器顺序延时开关控制器,可以更好的控制水温。
电路图如下:
