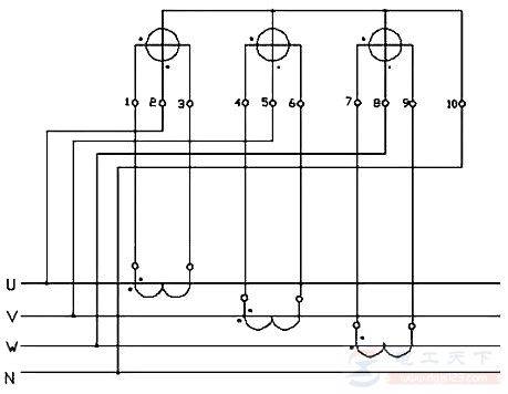
低压三相四线有功电能表经电流互感器的接线方式


低压三相四线有功电能表经电流互感器的接线图

如下所示:

低压三相四线有功电能表经电流互感器的接线方式

低压三相四线有功电能表经电流互感器的接线方式

适用范围:计量低压大电流(电流大于50A)负荷。

低压三相四线有功电能表经电流互感器接线时,需要接10根线:六根电流线、四根电压线。

正确的接线图,如下:

低压三相四线有功电能表经电流互感器的接线方式