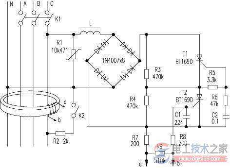
漏电断路器的工作原理图
对于漏电断路器,包括漏电断路器的选型注意,结构组成,附件功能应用,连一些常见的故障和处理。
要深入了解漏电断路器,还需要掌握一个关键内容:漏电断路器的工作原理。
以下与大家一起学习下漏电断路器的工作原理!
漏电断路器主要有零序电流互感器、电子组件板、漏电脱扣器及带有过载和短路保护的断路器组成。漏电断路器的漏电保护部分,由零序电流互感器(感测部分),运算控制器(控制部分)和电磁脱扣器(动作,执行部分)组成。被保护的主电路所有相,零线都穿过零序电流互感器的铁芯,组成零序电流互感器一次侧。漏电断路器的工作原理基本上可以理解为:漏电断路器对于同时接触两相的两相触电,不能保护。
通过图解说明:

图中L为电磁铁线圈,漏电时可驱动闸刀开关K1断开。每个桥臂用两只1N4007串联可提高耐压。
R3、R4阻值很大,所以K1合上时,流经L的电流很小,不足以造成开关K1断开。R3、R4为可控硅T1、T2的均压电阻,可以降低对可控硅的耐压要 求。
K2为试验按钮,起模拟漏电的作用。按压试验按钮K2,K2接通,相当于外线火线对大地有漏电,这样,穿过磁环的三相电源线和零线的电流的矢量和不为 零,磁环上的检测线圈的a、b两端就有感应电压输出,该电压立即触发T2导通。由于C2预先充有一定电压,T2导通后,C2便经R6、R5、T2放电,使 R5上产生电压触发T1导通。
T1、T2导通后,流经L的电流大增,使电磁铁动作,驱动开关K1断开,试验按钮的作用是随时可检查本装置功能是否完好。用电设备漏电引起电磁铁动作的原理与此相同。R1为压敏电阻,起过压保护作用。这个也就基本上构成了漏电断路器的工作原理中最重要的漏电保护的功能。
最后简单说下一般家用漏电断路器的工作原理和一些常见的应用。漏电断路器作为一项有效的电气安全技术装置已经被广泛使用,并起到了举足轻重的作用。根据医学研究,当人体接触50Hz的交流电、触电电流在30mA及以下时,可以承受几分钟的时间。这就界定了人体触电安全电流,为设计和选用漏电保护装置提供了科学依据。
因此,在移动电器、潮湿场所的电器所在的电源支路设置漏电断路器。是防止间接接触触电的有效措施。在国家标准<住宅设计规范>中明确"除空调电源插座外,其他电源插座回路应设置漏电保护装置"。其漏电动作电流为30mA,动作时间为0.1s。我觉得这些对我们日常都是十分重要的,理应引起我们的注意。
三相四线制供电系统的漏电保护器工作原理示意图。TA 为零序电流互感器, GF 为主开关, TL 为主开关的分励脱扣器线圈。
在被保护电路工作正常, 没有发生漏电或触电的情况下, 由克希荷夫定律可知, 通过TA 一次侧的电流相量和等于零, 即:这样TA 的二次侧不产生感应电动势, 漏电保护器不动作, 系统保持正常供电。

当被保护电路发生漏电或有人触电时,由于漏电电流的存在,通过TA 一次侧各相电流的相量和不再等于零,产生了漏电电流Ik。
在铁心中出现了交变磁通。在交变磁通作用下,TL二次侧线圈就有感应电动势产生, 此漏电信号经中间环节进行处理和比较, 当达到预定值时, 使主开关分励脱扣器线圈TL 通电, 驱动主开关GF 自动跳闸, 切断故障电路,从而实现保护。