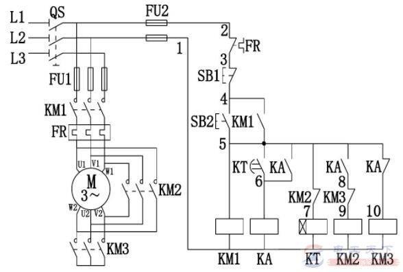
六个星三角降压启动电路的电气原理图,共六张电气原理图,多方面来学习星三角降压启动电路的设计方法。
1、星三角降压启动电路一
如下图:

2、星三角降压启动电路二
如下图:

3、星三角降压启动电路三
如下图:

4、星三角降压启动电路四
如下图:

5、星三角降压启动电路五
如下图:

6、星三角降压启动电路六
如下图:

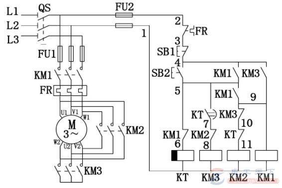
六个星三角降压启动电路的电气原理图,共六张电气原理图,多方面来学习星三角降压启动电路的设计方法。
1、星三角降压启动电路一
如下图:

2、星三角降压启动电路二
如下图:

3、星三角降压启动电路三
如下图:

4、星三角降压启动电路四
如下图:

5、星三角降压启动电路五
如下图:

6、星三角降压启动电路六
如下图:
