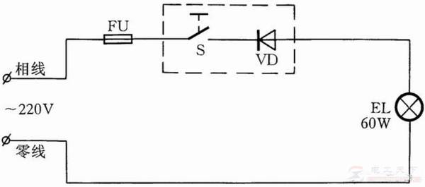
为了延长灯泡的使用寿命,可以使用的方法有多种,这里介绍一种简单的方法,借助二极管(整流管)通过减少电流的通过,达到延长灯泡寿命的目的。
二极管延长白炽灯寿命的电路图
操作方法:
在拉线开关中加装一只耐压大于400V、电流为1A的整流管。

图1,用二极管延长白炽灯的寿命
在楼梯、走廊、厕所等场所,对照明的亮度要求不高,可以采用这个方法来延长灯泡寿命,即,如图11所示。
工作原理:
220V交流电源经过半波整流后,灯泡仅有半个周期中有电流通过,用这种方法可以延长白炽灯的使用寿命。
缺点:降低了灯泡的亮度。
以上就是二极管延长白炽灯寿命的线路图及相关原理,希望对大家有所帮助。