分享二个电路实例图,一个是NE555延时电路,一个是NE555光控电路,介绍了这二种电子电路的电路图及电路原理,以及电路测试步骤,有需要的朋友参考下。
一、NE555延时电路
1、电路图
如下:

2、NE55延时电路原理
引脚6和引脚7相连的,引脚2和引脚6、引脚7不相连。
该电路属于单稳态电路,?脚是触发端,低于1/3Vcc以下即导通。引脚6为阈值端,高于2/3Vcc以上即导通。

3、检测电路图连接是否正确。
4、电路通电试电。
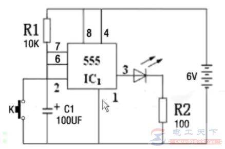
二、NE555光控电路
1、电路图
如下:

?脚是触发端,低于1/3Vcc以下即导通。引脚6为阈值端,高于2/3Vcc以上即导通。
2、NE555光控电路原理
当光强时,光敏电阻阻值降低,分压点的电压较高,当6脚电压在2/3Vcc以上时,3脚为高电平也就是输出为0,无电流通过。
当光弱时,光敏电阻呈高电阻,分压点为低电压,当2脚电压在1/3Vcc以下时,3脚为高电平也就是输出为1,3脚有电流通过使发光二极管亮。
3、检测电路图连接是否正确。
4、电路通电试电。