以下是控制电机的几种控制原理图,覆盖了所有电机的控制形式,主要包括电动机的点动控制原理图, 电动机的连续运转控制线路原理图,电动机的点动和常动的混动控制线路原理图等,供大家参考。
电动机控制电路原理图
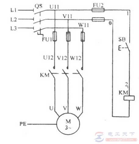
1、电动机的点动控制原理图

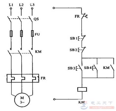
2、电动机的连续运转控制线路原理图(自锁)

3、电动机的点动和常动的混动控制线路原理图

4、电动机的两地控制线路原理图

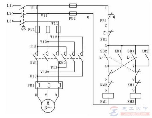
5、电动机的按钮联锁正反转控制电路原理图

6、电动机的接触器联锁正反转控制电路原理图

7、电动机的双重互锁的正反转控制电路原理图

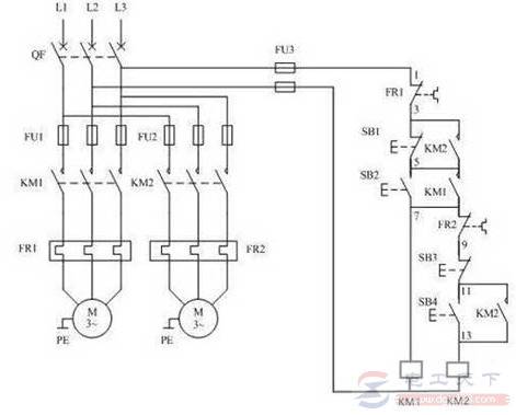
8、电动机的顺序停止控制线路原理图

9、电动机的顺序启动逆序停止控制线路原理图
